专利数据库
统计分析
产业报告
专利数据监控
产业人才
行业动态
产业政策法规
维权援助
个人中心
详情
文本
图像
标题
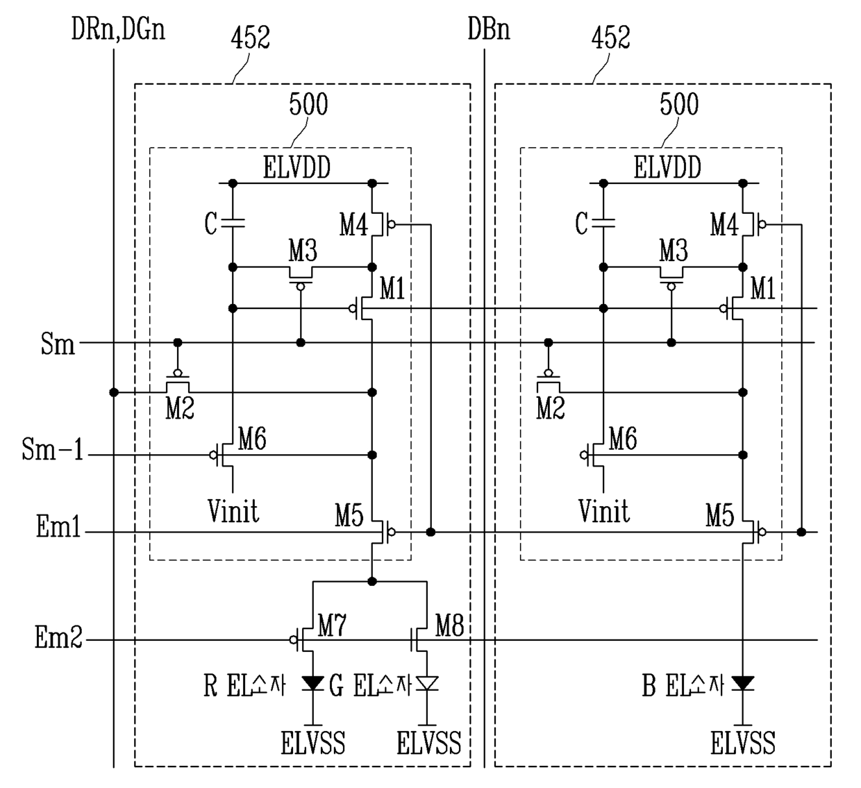
유기 전계발광 표시장치 및 그 구동방법
授权日
2006-12-21
公开(公告)号
KR100662998B1
申请日
2005-11-04
公开(公告)日
2006-12-28
当前申请(专利权)人
삼성에스디아이 주식회사
发明人
곽원규 | 코미야나오아키
简单同族
CN100578589C | CN1959790A | DE602006009203D1 | EP1783738A2 | EP1783738A3 | EP1783738B1 | JP2007128019A | JP4364873B2 | KR100662998B1 | US20070103405A1 | US8018405
简单同族成员数量
11
简单同族被引用专利总数
46
诉讼案件数
0
法律状态/事件
授权 | 权利转移
抱歉,您的浏览器不支持PDF预览,请点击链接下载PDF文件