专利数据库
统计分析
产业报告
专利数据监控
产业人才
行业动态
产业政策法规
维权援助
个人中心
详情
文本
图像
标题
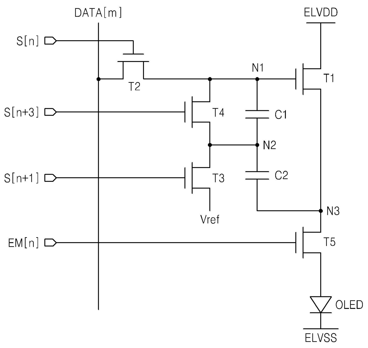
화소 회로, 유기전계발광 표시 장치 및 이의 구동 방법
授权日
1900-01-01
公开(公告)号
KR1020110080388A
申请日
2010-01-05
公开(公告)日
2011-07-13
当前申请(专利权)人
삼성모바일디스플레이주식회사
发明人
강철규 | 정보용
简单同族
KR101074811B1 | KR1020110080388A | US20110164016A1 | US8284136
简单同族成员数量
4
简单同族被引用专利总数
77
诉讼案件数
0
法律状态/事件
授权 | 权利转移
抱歉,您的浏览器不支持PDF预览,请点击链接下载PDF文件