专利数据库
统计分析
产业报告
专利数据监控
产业人才
行业动态
产业政策法规
维权援助
个人中心
详情
文本
图像
标题
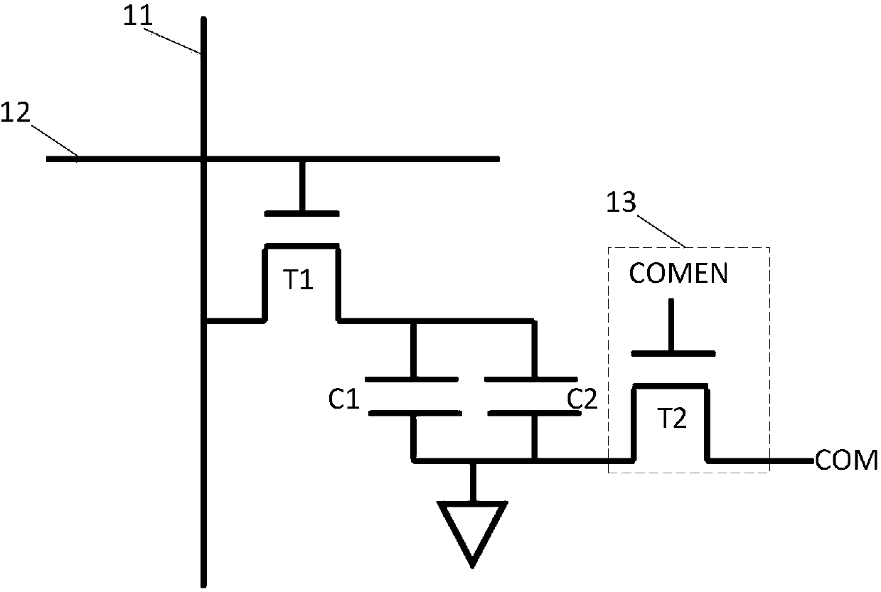
一种像素驱动电路、显示面板及显示装置
授权日
2019-04-12
公开(公告)号
CN208737870U
申请日
2018-08-31
公开(公告)日
2019-04-12
当前申请(专利权)人
武汉华星光电技术有限公司
发明人
廖作敏 | 张典
简单同族
CN208737870U
简单同族成员数量
1
简单同族被引用专利总数
0
诉讼案件数
0
法律状态/事件
授权
抱歉,您的浏览器不支持PDF预览,请点击链接下载PDF文件