专利数据库
统计分析
产业报告
专利数据监控
产业人才
行业动态
产业政策法规
维权援助
个人中心
详情
文本
图像
标题
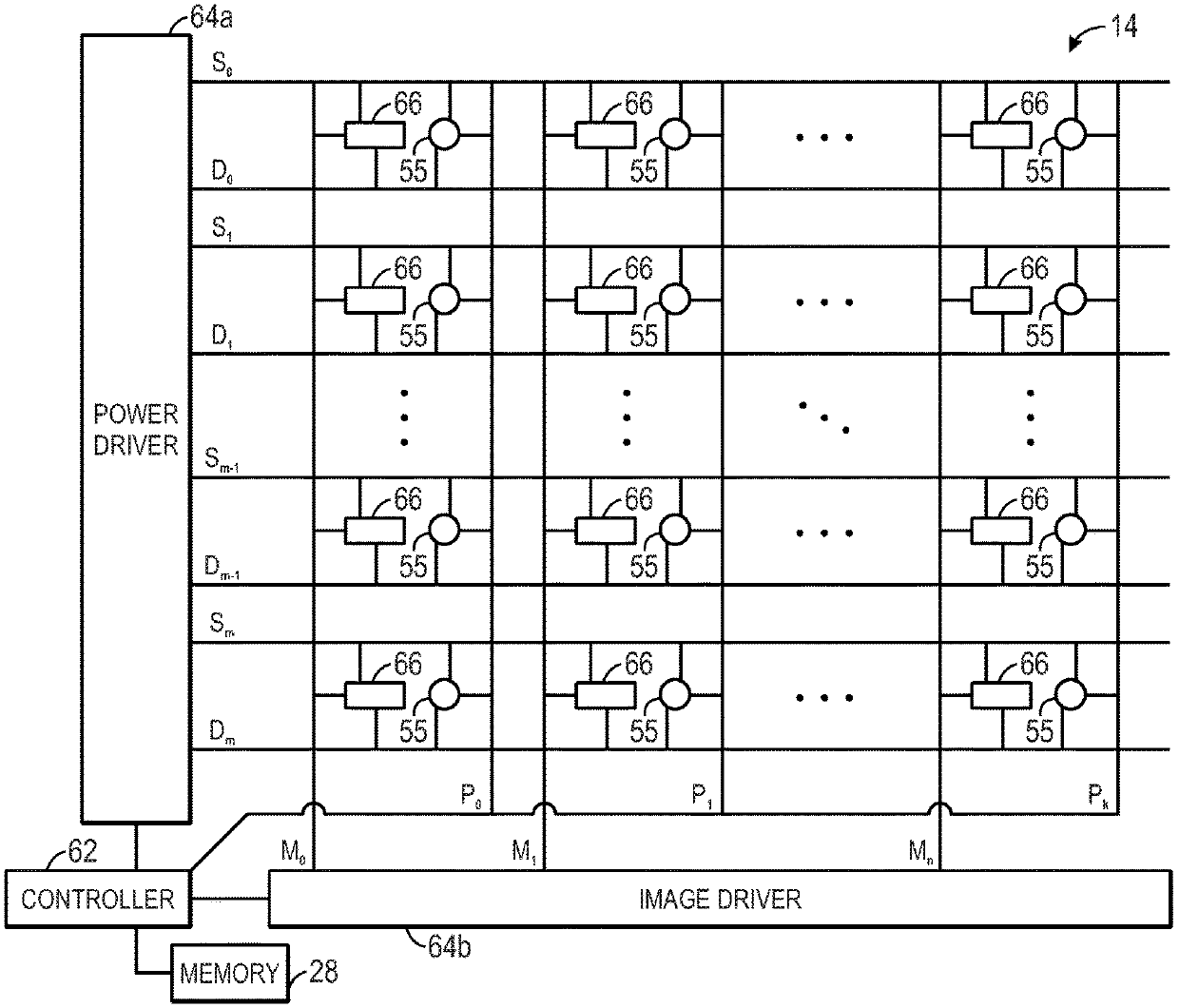
Organic light emitting diode display having photodiodes
授权日
2020-07-14
公开(公告)号
US10713998
申请日
2018-08-20
公开(公告)日
2020-07-14
当前申请(专利权)人
APPLE INC.
发明人
LYNCH, STEPHEN BRIAN | DRZAIC, PAUL STEPHEN | RAPPOPORT, BENJAMIN MARK | ROTHKOPF, FLETCHER R. | TERNUS, JOHN PATRICK | MYERS, SCOTT A.
简单同族
US10056029 | US10713998 | US20130194199A1 | US20150287358A1 | US20170287392A1 | US20180357954A1 | US9064451 | US9679513
简单同族成员数量
8
简单同族被引用专利总数
68
诉讼案件数
0
法律状态/事件
授权
抱歉,您的浏览器不支持PDF预览,请点击链接下载PDF文件