专利数据库
统计分析
产业报告
专利数据监控
产业人才
行业动态
产业政策法规
维权援助
个人中心
详情
文本
图像
标题
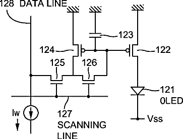
Active-matrix display device, and active-matrix organic electroluminescent display device
授权日
2014-08-19
公开(公告)号
US8810486
申请日
2013-08-13
公开(公告)日
2014-08-19
当前申请(专利权)人
SONY CORPORATION
发明人
YUMOTO, AKIRA
简单同族
CN1189855C | CN1404600A | EP1333422A1 | EP1333422B1 | JP2003195815A | KR100830772B1 | KR1020020069241A | TW538649B | US10269296 | US20060119552A1 | US20130088524A1 | US20140055441A1 | US20150054813A1 | US20160117984A1 | US20170358260A1 | US8120551 | US8558769 | US8810486 | US9245481 | US9741289 | WO2002039420A1
简单同族成员数量
21
简单同族被引用专利总数
334
诉讼案件数
0
法律状态/事件
授权
抱歉,您的浏览器不支持PDF预览,请点击链接下载PDF文件