专利数据库
统计分析
产业报告
专利数据监控
产业人才
行业动态
产业政策法规
维权援助
个人中心
详情
文本
图像
标题
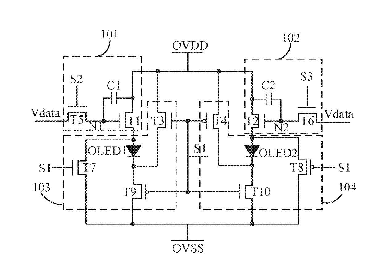
OLED pixel circuit and method for retarding aging of OLED device
授权日
2019-07-30
公开(公告)号
US10366654
申请日
2017-10-26
公开(公告)日
2019-07-30
当前申请(专利权)人
SHENZHEN CHINA STAR OPTOELECTRONICS SEMICONDUCTOR DISPLAY TECHNOLOGY CO., LTD.
发明人
CHANG, BOBIAO | CHEN, XIAOLONG | WEN, YI-CHIEN
简单同族
US10366654 | US20190066583A1
简单同族成员数量
2
简单同族被引用专利总数
0
诉讼案件数
0
法律状态/事件
授权 | 权利转移
抱歉,您的浏览器不支持PDF预览,请点击链接下载PDF文件