专利数据库
统计分析
产业报告
专利数据监控
产业人才
行业动态
产业政策法规
维权援助
个人中心
详情
文本
图像
标题
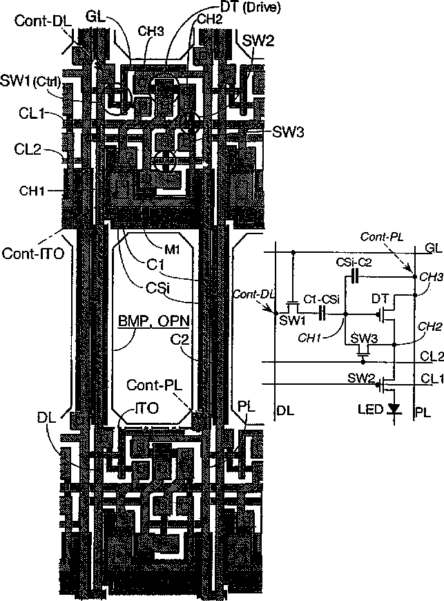
Organic electroluminescent light emitting display device
授权日
2013-05-21
公开(公告)号
US8446347
申请日
2012-02-02
公开(公告)日
2013-05-21
当前申请(专利权)人
HITACHI DISPLAYS, LTD. | SAMSUNG DISPLAY CO., LTD.
发明人
SATO, TOSHIHIRO | KAWACHI, GENSHIRO | MIKAMI, YOSHIRO | ADACHI, MASAYA
简单同族
CN100541811C | CN1496204A | JP2003332072A | JP2008026911A | JP4071652B2 | JP4937858B2 | KR100787687B1 | KR1020030072252A | TW200305120A | TWI222048B | US20040017162A1 | US20070200805A1 | US20100134454A1 | US20120127146A1 | US20130240863A1 | US20140374730A1 | US20170373131A1 | US7230592 | US7667674 | US8134524 | US8446347 | US8847858
简单同族成员数量
22
简单同族被引用专利总数
194
诉讼案件数
0
法律状态/事件
授权 | 权利转移
抱歉,您的浏览器不支持PDF预览,请点击链接下载PDF文件