专利数据库
统计分析
产业报告
专利数据监控
产业人才
行业动态
产业政策法规
维权援助
个人中心
详情
文本
图像
标题
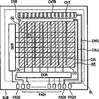
Display module
授权日
2013-04-30
公开(公告)号
US8432383
申请日
2012-04-19
公开(公告)日
2013-04-30
当前申请(专利权)人
SAMSUNG DISPLAY CO., LTD.
发明人
SATO, TOSHIHIRO | KANEKO, YOSHIYUKI
简单同族
JP2002287663A | JP3608614B2 | KR100493204B1 | KR1020020077136A | TW567454B | US10074311 | US10242621 | US10621915 | US20020140646A1 | US20060055643A1 | US20090201273A1 | US20110316826A1 | US20120200557A1 | US20130235024A1 | US20140347256A1 | US20150269884A1 | US20170004768A1 | US20170076669A1 | US20170092194A1 | US20180012545A1 | US20190005880A1 | US20190221160A1 | US20200202781A1 | US6965363 | US7525525 | US8018448 | US8169427 | US8432383 | US8803870 | US9076379 | US9472136 | US9685115 | US9875689 | US9934724
简单同族成员数量
34
简单同族被引用专利总数
161
诉讼案件数
0
法律状态/事件
授权 | 权利转移
抱歉,您的浏览器不支持PDF预览,请点击链接下载PDF文件