专利数据库
统计分析
产业报告
专利数据监控
产业人才
行业动态
产业政策法规
维权援助
个人中心
详情
文本
图像
标题
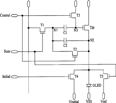
Organic light emitting diode display device and method for driving the same
授权日
2015-12-29
公开(公告)号
US9224329
申请日
2012-10-31
公开(公告)日
2015-12-29
当前申请(专利权)人
LG DISPLAY CO., LTD
发明人
KIM, BINN | HAN, JOONSOO
简单同族
CN103578410A | CN103578410B | KR101341797B1 | US20130088417A1 | US9224329
简单同族成员数量
5
简单同族被引用专利总数
48
诉讼案件数
0
法律状态/事件
授权 | 权利转移
抱歉,您的浏览器不支持PDF预览,请点击链接下载PDF文件