专利数据库
统计分析
产业报告
专利数据监控
产业人才
行业动态
产业政策法规
维权援助
个人中心
详情
文本
图像
标题
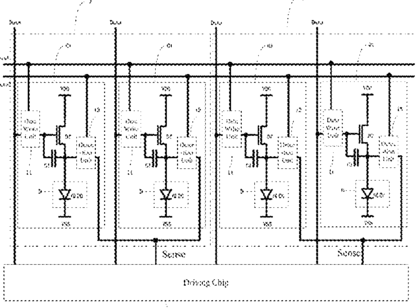
Organic electroluminescent display panel, display apparatus and luminance compensation method
授权日
2018-06-26
公开(公告)号
US10008159
申请日
2016-04-15
公开(公告)日
2018-06-26
当前申请(专利权)人
BOE TECHNOLOGY GROUP CO., LTD.
发明人
SONG, DANNA
简单同族
CN104809986A | CN104809986B | US10008159 | US20170169767A1 | WO2016184282A1
简单同族成员数量
5
简单同族被引用专利总数
50
诉讼案件数
0
法律状态/事件
授权 | 权利转移
抱歉,您的浏览器不支持PDF预览,请点击链接下载PDF文件