专利数据库
统计分析
产业报告
专利数据监控
产业人才
行业动态
产业政策法规
维权援助
个人中心
详情
文本
图像
标题
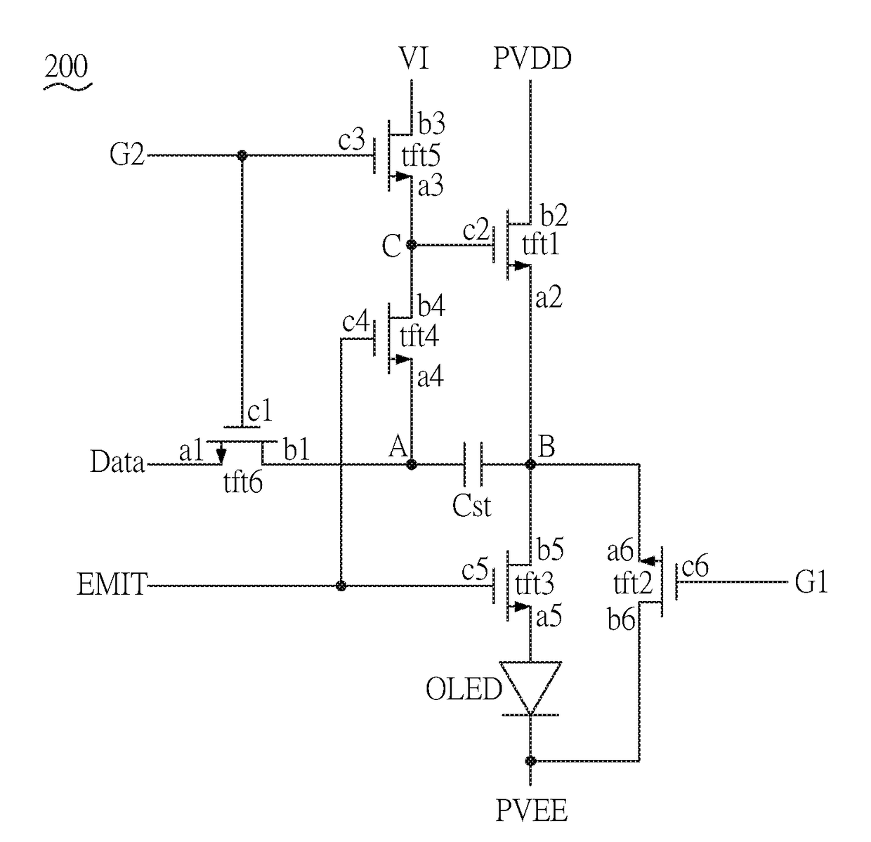
Light-emitting diode display panel and driving method thereof
授权日
1900-01-01
公开(公告)号
US20180350307A1
申请日
2018-05-07
公开(公告)日
2018-12-06
当前申请(专利权)人
INNOLUX CORPORATION
发明人
TSAI, YU-SHENG
简单同族
CN109064969A | US20180350307A1
简单同族成员数量
2
简单同族被引用专利总数
0
诉讼案件数
0
法律状态/事件
撤回 | 权利转移
抱歉,您的浏览器不支持PDF预览,请点击链接下载PDF文件