专利数据库
统计分析
产业报告
专利数据监控
产业人才
行业动态
产业政策法规
维权援助
个人中心
详情
文本
图像
标题
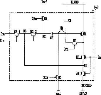
Pixel and organic light emitting display using the same
授权日
2015-02-17
公开(公告)号
US8957837
申请日
2011-02-22
公开(公告)日
2015-02-17
当前申请(专利权)人
SAMSUNG DISPLAY CO., LTD.
发明人
HAN, SAM-IL
简单同族
CN102339586A | CN102339586B | EP2410508A2 | EP2410508A3 | EP2410508B1 | JP2012027434A | JP5690557B2 | KR101162864B1 | KR1020120009579A | US20120013597A1 | US8957837
简单同族成员数量
11
简单同族被引用专利总数
74
诉讼案件数
0
法律状态/事件
授权 | 权利转移
抱歉,您的浏览器不支持PDF预览,请点击链接下载PDF文件