专利数据库
统计分析
产业报告
专利数据监控
产业人才
行业动态
产业政策法规
维权援助
个人中心
详情
文本
图像
标题
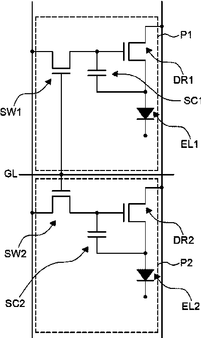
Organic light emitting display device
授权日
2016-03-01
公开(公告)号
US9276050
申请日
2015-02-25
公开(公告)日
2016-03-01
当前申请(专利权)人
LG DISPLAY CO., LTD.
发明人
KWON, HOI, YONG | LEE, JOON, SUK | KIM, EUI, TAE | PARK, SUNG, HEE | SHIN, KI, SEOB
简单同族
US20150243722A1 | US20160141347A1 | US9276050 | US9627462
简单同族成员数量
4
简单同族被引用专利总数
55
诉讼案件数
0
法律状态/事件
授权 | 权利转移
抱歉,您的浏览器不支持PDF预览,请点击链接下载PDF文件