专利数据库
统计分析
产业报告
专利数据监控
产业人才
行业动态
产业政策法规
维权援助
个人中心
详情
文本
图像
标题
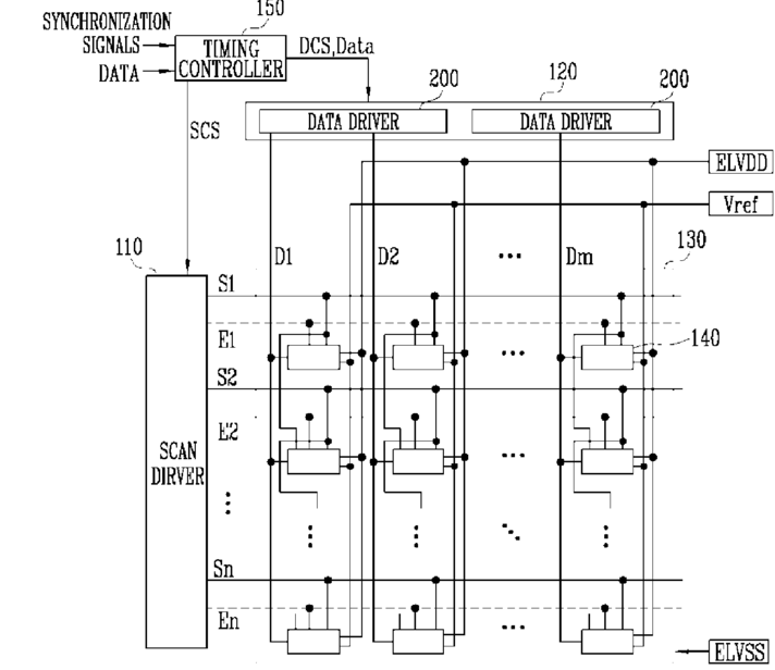
Data driver, organic light emitting display device using the same, and method of driving the organic light emitting display device
授权日
1900-01-01
公开(公告)号
US20180033377A1
申请日
2017-10-12
公开(公告)日
2018-02-01
当前申请(专利权)人
SAMSUNG DISPLAY CO., LTD. | IUCF-HYU (INDUSTRY-UNIVERSITY COOPERATION FOUNDATION HANYANG UNIVERSITY)
发明人
RYU, DO HYUNG | CHUNG, BO YONG | KIM, HONG KWON | KWON, OH KYONG
简单同族
EP1752955A1 | EP1752955B1 | US10192491 | US20070035487A1 | US20140125713A1 | US20180033377A1 | US8659511 | US9812065
简单同族成员数量
8
简单同族被引用专利总数
59
诉讼案件数
0
法律状态/事件
授权 | 权利转移
抱歉,您的浏览器不支持PDF预览,请点击链接下载PDF文件