专利数据库
统计分析
产业报告
专利数据监控
产业人才
行业动态
产业政策法规
维权援助
个人中心
详情
文本
图像
标题
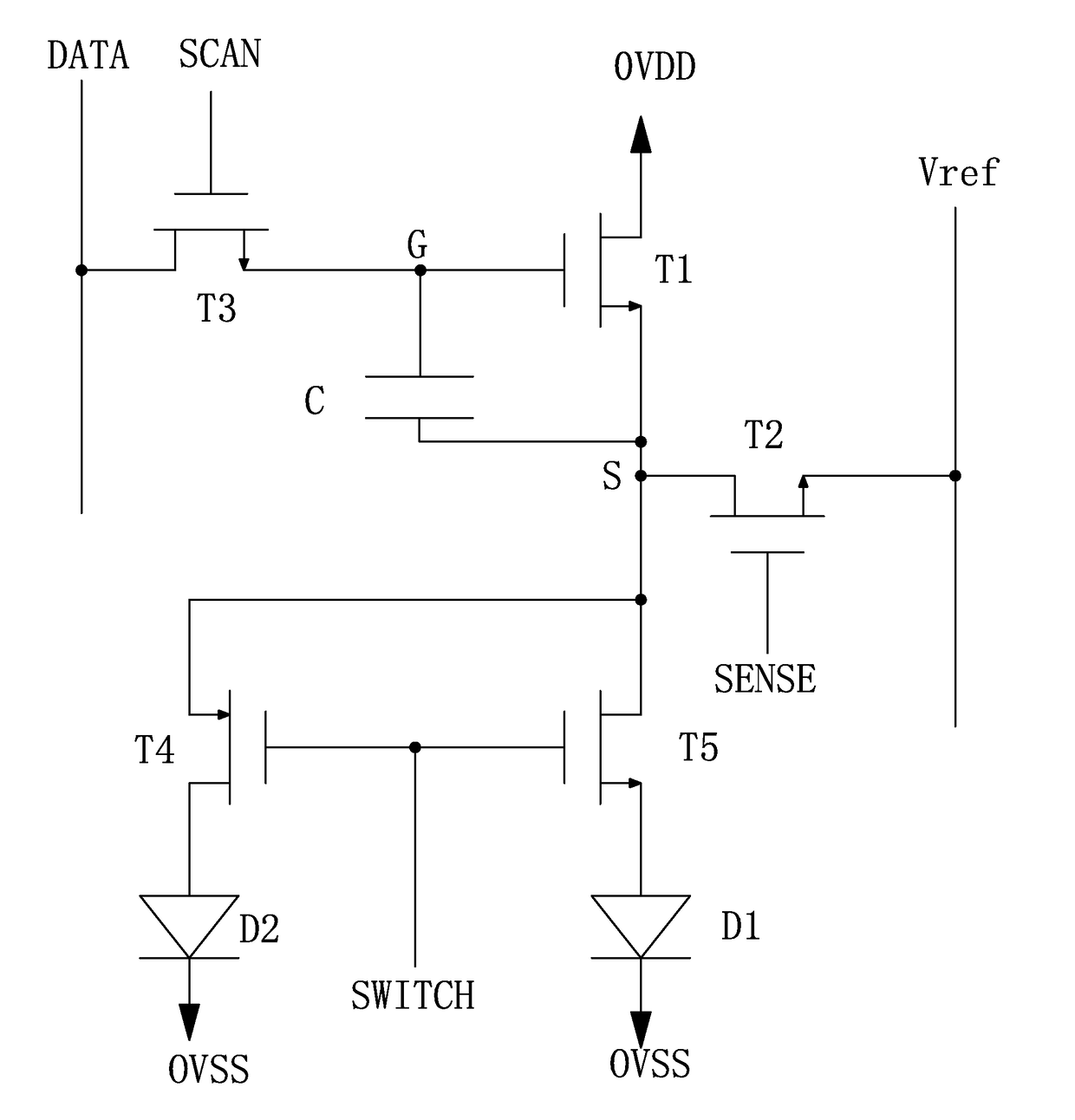
Pixel driving circuit, repair method thereof and display device
授权日
1900-01-01
公开(公告)号
US20180342206A1
申请日
2017-07-13
公开(公告)日
2018-11-29
当前申请(专利权)人
SHENZHEN CHINA STAR OPTOELECTRONICS SEMICONDUCTOR DISPLAY TECHNOLOGY CO., LTD.
发明人
ZHOU, XUEBING | WEN, YICHIEN | JOU, MINGJONG
简单同族
US10354591 | US20180342206A1
简单同族成员数量
2
简单同族被引用专利总数
0
诉讼案件数
0
法律状态/事件
授权 | 权利转移
抱歉,您的浏览器不支持PDF预览,请点击链接下载PDF文件