专利数据库
统计分析
产业报告
专利数据监控
产业人才
行业动态
产业政策法规
维权援助
个人中心
详情
文本
图像
标题
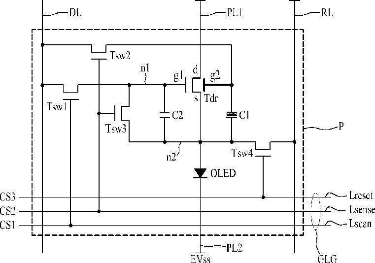
Organic light emitting display device and method for driving the same
授权日
1900-01-01
公开(公告)号
US20150187276A1
申请日
2014-11-06
公开(公告)日
2015-07-02
当前申请(专利权)人
LG DISPLAY CO., LTD.
发明人
SHIM, JONG SIK | BAE, NA YOUNG
简单同族
CN104751781A | CN104751781B | DE102014118997A1 | EP2889862A1 | EP2889862B1 | JP2015129934A | JP2017107243A | JP6110361B2 | JP6453926B2 | KR1020150077710A | KR102091485B1 | TW201525968A | TWI566220B | US20150187276A1 | US9305494
简单同族成员数量
15
简单同族被引用专利总数
83
诉讼案件数
0
法律状态/事件
授权 | 权利转移
抱歉,您的浏览器不支持PDF预览,请点击链接下载PDF文件