专利数据库
统计分析
产业报告
专利数据监控
产业人才
行业动态
产业政策法规
维权援助
个人中心
详情
文本
图像
标题
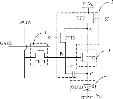
OLED pixel circuit, driving method of the same, and display device
授权日
2017-03-07
公开(公告)号
US9589505
申请日
2014-06-30
公开(公告)日
2017-03-07
当前申请(专利权)人
BOE TECHNOLOGY GROUP CO., LTD. | HEFEI XINSHENG OPTOELECTRONICS TECHNOLOGY CO., LTD.
发明人
ZHANG, YUTING
简单同族
CN103531151A | CN103531151B | US20160005356A1 | US9589505 | WO2015062298A1
简单同族成员数量
5
简单同族被引用专利总数
51
诉讼案件数
0
法律状态/事件
授权 | 权利转移
抱歉,您的浏览器不支持PDF预览,请点击链接下载PDF文件