专利数据库
统计分析
产业报告
专利数据监控
产业人才
行业动态
产业政策法规
维权援助
个人中心
详情
文本
图像
标题
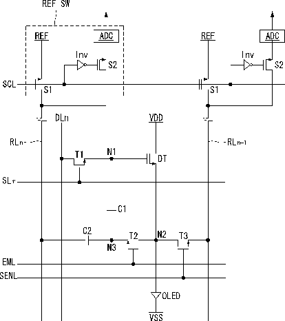
Organic light emitting diode display device
授权日
2015-06-09
公开(公告)号
US9053668
申请日
2012-11-13
公开(公告)日
2015-06-09
当前申请(专利权)人
LG DISPLAY CO., LTD.
发明人
YOON, JOONGSUN | LEE, YOUNGHAK
简单同族
CN103123774A | CN103123774B | KR101938880B1 | KR1020130055402A | US20130127692A1 | US9053668
简单同族成员数量
6
简单同族被引用专利总数
49
诉讼案件数
0
法律状态/事件
授权 | 权利转移
抱歉,您的浏览器不支持PDF预览,请点击链接下载PDF文件