专利数据库
统计分析
产业报告
专利数据监控
产业人才
行业动态
产业政策法规
维权援助
个人中心
详情
文本
图像
标题
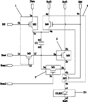
Pixel circuit, organic electroluminesce display panel and display device
授权日
2017-03-21
公开(公告)号
US9601057
申请日
2016-05-27
公开(公告)日
2017-03-21
当前申请(专利权)人
SHANGHAI TIANMA AM-OLED CO., LTD. | TIANMA MICRO-ELECTRONICS CO., LTD.
发明人
LIU, GANG | LIU, CHEN | CHEN, DAN | QIAN, DONG
简单同族
CN104050917A | CN104050917B | DE102014112680A1 | US20150356924A1 | US20160275866A1 | US9384700 | US9601057
简单同族成员数量
7
简单同族被引用专利总数
76
诉讼案件数
0
法律状态/事件
授权 | 权利转移
抱歉,您的浏览器不支持PDF预览,请点击链接下载PDF文件