专利数据库
统计分析
产业报告
专利数据监控
产业人才
行业动态
产业政策法规
维权援助
个人中心
详情
文本
图像
标题
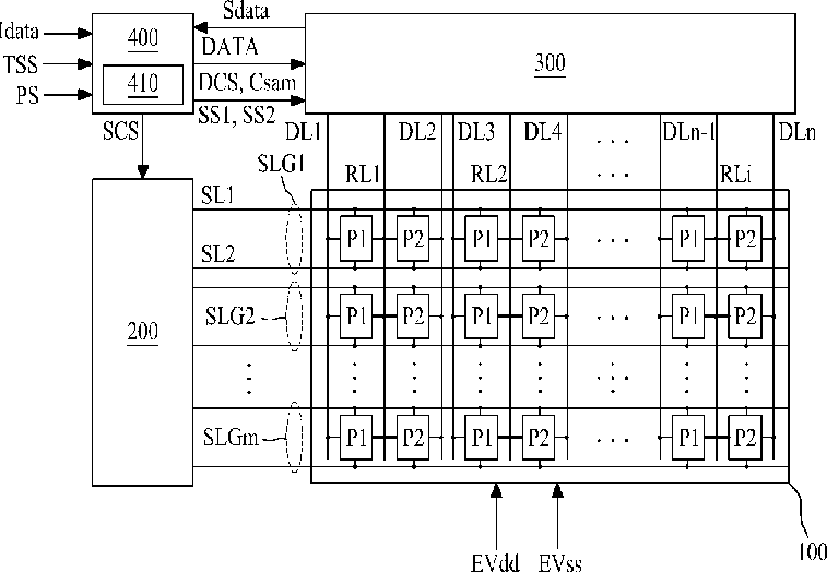
Organic light emitting display device
授权日
1900-01-01
公开(公告)号
US20150179105A1
申请日
2014-12-05
公开(公告)日
2015-06-25
当前申请(专利权)人
LG DISPLAY CO., LTD.
发明人
MIZUKOSHI, SEIICHI
简单同族
CN104732920A | CN104732920B | EP2889861A1 | EP2889861B1 | KR1020150074657A | KR102102251B1 | US20150179105A1 | US9761177
简单同族成员数量
8
简单同族被引用专利总数
48
诉讼案件数
0
法律状态/事件
授权 | 权利转移
抱歉,您的浏览器不支持PDF预览,请点击链接下载PDF文件