专利数据库
统计分析
产业报告
专利数据监控
产业人才
行业动态
产业政策法规
维权援助
个人中心
详情
文本
图像
标题
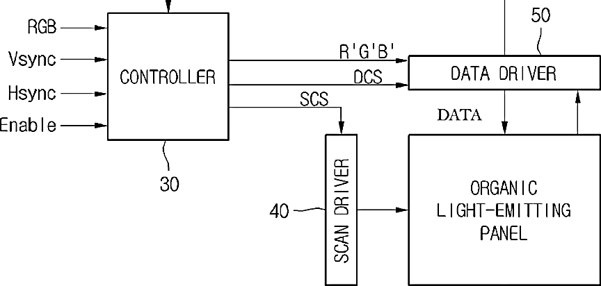
Organic light-emitting display device with signal lines for carrying both data signal and sensing signal
授权日
1900-01-01
公开(公告)号
US20130147690A1
申请日
2012-12-07
公开(公告)日
2013-06-13
当前申请(专利权)人
LG DISPLAY CO., LTD.
发明人
KIM, SEUNG TAE | KIM, BUM SIK
简单同族
CN103165078A | CN103165078B | DE102012112130A1 | DE102012112130B4 | KR101362002B1 | KR1020130066450A | TW201324482A | TWI469122B | US20130147690A1 | US20160232850A1 | US9349316 | US9489895
简单同族成员数量
12
简单同族被引用专利总数
93
诉讼案件数
0
法律状态/事件
授权 | 权利转移
抱歉,您的浏览器不支持PDF预览,请点击链接下载PDF文件