专利数据库
统计分析
产业报告
专利数据监控
产业人才
行业动态
产业政策法规
维权援助
个人中心
详情
文本
图像
标题
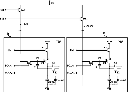
Organic light emitting diode display device and method for driving the same
授权日
2015-12-29
公开(公告)号
US9224335
申请日
2013-12-19
公开(公告)日
2015-12-29
当前申请(专利权)人
LG DISPLAY CO., LTD
发明人
YOON, SANG-HUN | LEE, JUNG-MIN
简单同族
CN103915061A | CN103915061B | DE102013114348A1 | DE102013114348B4 | GB201322019D0 | GB2510481A | GB2510481B | KR101970574B1 | KR1020140086467A | US20140184665A1 | US9224335
简单同族成员数量
11
简单同族被引用专利总数
61
诉讼案件数
0
法律状态/事件
授权 | 权利转移
抱歉,您的浏览器不支持PDF预览,请点击链接下载PDF文件