专利数据库
统计分析
产业报告
专利数据监控
产业人才
行业动态
产业政策法规
维权援助
个人中心
详情
文本
图像
标题
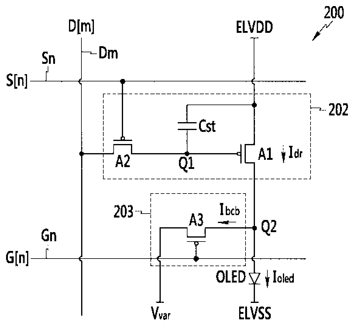
Pixel and organic light emitting diode display having a bypass transistor for passing a portion of a driving current
授权日
2020-03-24
公开(公告)号
US10600365
申请日
2017-08-04
公开(公告)日
2020-03-24
当前申请(专利权)人
SAMSUNG DISPLAY CO., LTD.
发明人
JEONG, JIN-TAE | KWAK, WON-KYU
简单同族
CN103247256A | CN103247256B | EP2626851A2 | EP2626851A3 | EP2626851B1 | JP2013161084A | KR101869056B1 | KR1020130091136A | TW201333917A | TWI590216B | US10600365 | US20130201172A1 | US20160240142A1 | US20170330515A1 | US20200175926A1 | US9324264 | US9728134
简单同族成员数量
17
简单同族被引用专利总数
74
诉讼案件数
0
法律状态/事件
授权 | 权利转移
抱歉,您的浏览器不支持PDF预览,请点击链接下载PDF文件