专利数据库
统计分析
产业报告
专利数据监控
产业人才
行业动态
产业政策法规
维权援助
个人中心
详情
文本
图像
标题
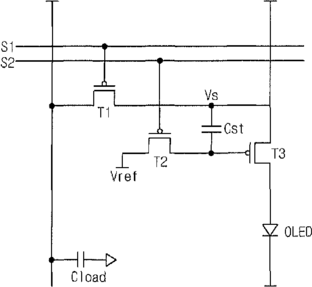
Organic light-emitting display device to compensate pixel threshold voltage
授权日
2016-05-24
公开(公告)号
US9349315
申请日
2012-10-04
公开(公告)日
2016-05-24
当前申请(专利权)人
LG DISPLAY CO., LTD
发明人
JEONG, UI TAEK
简单同族
CN103077662A | CN103077662B | KR101536129B1 | KR1020130036661A | US20130083001A1 | US20160225317A1 | US9349315 | US9672772
简单同族成员数量
8
简单同族被引用专利总数
57
诉讼案件数
0
法律状态/事件
授权 | 权利转移
抱歉,您的浏览器不支持PDF预览,请点击链接下载PDF文件