专利数据库
统计分析
产业报告
专利数据监控
产业人才
行业动态
产业政策法规
维权援助
个人中心
详情
文本
图像
标题
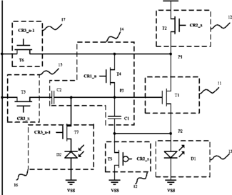
Active matrix organic light emitting diode pixel unit circuit and display panel
授权日
2016-12-27
公开(公告)号
US9530354
申请日
2013-10-09
公开(公告)日
2016-12-27
当前申请(专利权)人
CHENGDU BOE OPTOELECTRONICS TECHNOLOGY CO., LTD. | BOE TECHNOLOGY GROUP CO., LTD.
发明人
TAN, WEN | QI, XIAOJING | WU, BO
简单同族
CN103354078A | CN103354078B | US20150302801A1 | US9530354 | WO2014205950A1
简单同族成员数量
5
简单同族被引用专利总数
51
诉讼案件数
0
法律状态/事件
授权 | 权利转移
抱歉,您的浏览器不支持PDF预览,请点击链接下载PDF文件