专利数据库
统计分析
产业报告
专利数据监控
产业人才
行业动态
产业政策法规
维权援助
个人中心
详情
文本
图像
标题
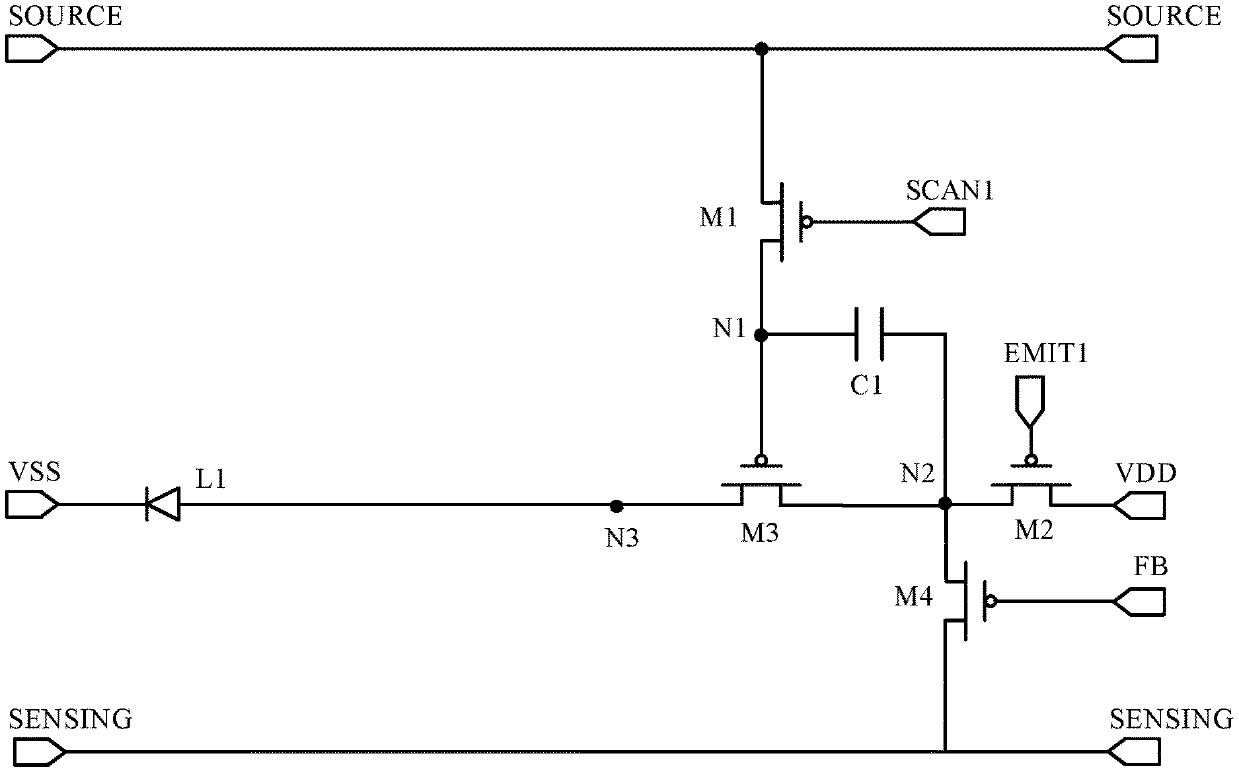
Organic light emitting diode (OLED) compensation circuit, display panel and display apparatus
授权日
1900-01-01
公开(公告)号
US20200074927A1
申请日
2019-04-05
公开(公告)日
2020-03-05
当前申请(专利权)人
WUHAN TIANMA MICRO-ELECTRONICS CO., LTD.
发明人
XU, HAOJIE | ZHOU, XINGYAO | LI, YUE | GAO, YANA
简单同族
CN109102775A | US20200074927A1
简单同族成员数量
2
简单同族被引用专利总数
0
诉讼案件数
0
法律状态/事件
实质审查 | 权利转移
抱歉,您的浏览器不支持PDF预览,请点击链接下载PDF文件