专利数据库
统计分析
产业报告
专利数据监控
产业人才
行业动态
产业政策法规
维权援助
个人中心
详情
文本
图像
标题
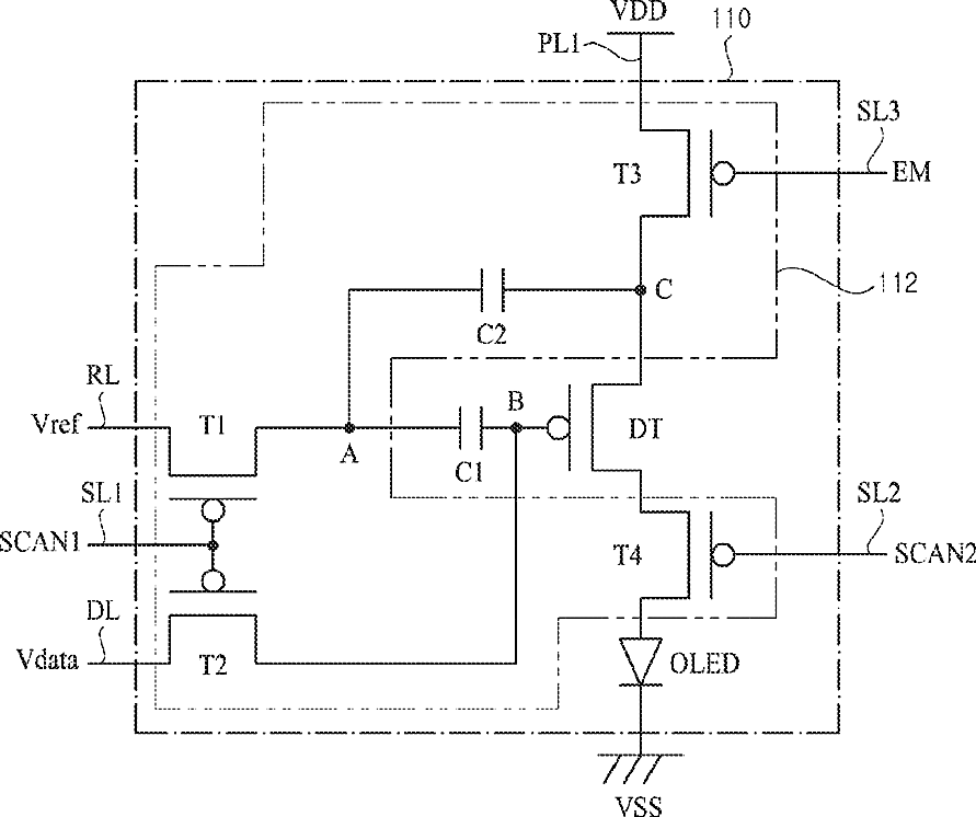
Pixel circuit, driving method thereof, and organic light emitting display device using the same
授权日
1900-01-01
公开(公告)号
US20140152719A1
申请日
2013-11-13
公开(公告)日
2014-06-05
当前申请(专利权)人
LG DISPLAY CO., LTD.
发明人
JUNG, JIN-HYUN
简单同族
CN103854609A | CN103854609B | KR101973125B1 | KR1020140071600A | US20140152719A1 | US9349318
简单同族成员数量
6
简单同族被引用专利总数
46
诉讼案件数
0
法律状态/事件
授权 | 权利转移
抱歉,您的浏览器不支持PDF预览,请点击链接下载PDF文件