专利数据库
统计分析
产业报告
专利数据监控
产业人才
行业动态
产业政策法规
维权援助
个人中心
详情
文本
图像
标题
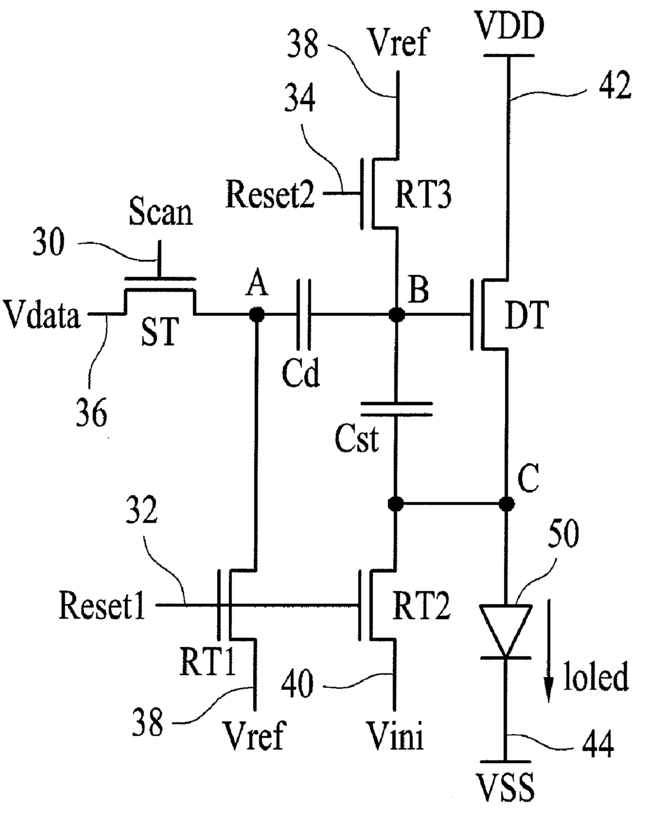
Pixel circuit of organic light emitting diode display device
授权日
1900-01-01
公开(公告)号
US20130057532A1
申请日
2012-09-05
公开(公告)日
2013-03-07
当前申请(专利权)人
LG DISPLAY CO., LTD.
发明人
LEE, YOUNG-HAK | KIM, GEUN-YOUNG
简单同族
KR101859474B1 | KR1020130026338A | US20130057532A1 | US8982017
简单同族成员数量
4
简单同族被引用专利总数
75
诉讼案件数
0
法律状态/事件
授权 | 权利转移
抱歉,您的浏览器不支持PDF预览,请点击链接下载PDF文件