专利数据库
统计分析
产业报告
专利数据监控
产业人才
行业动态
产业政策法规
维权援助
个人中心
详情
文本
图像
标题
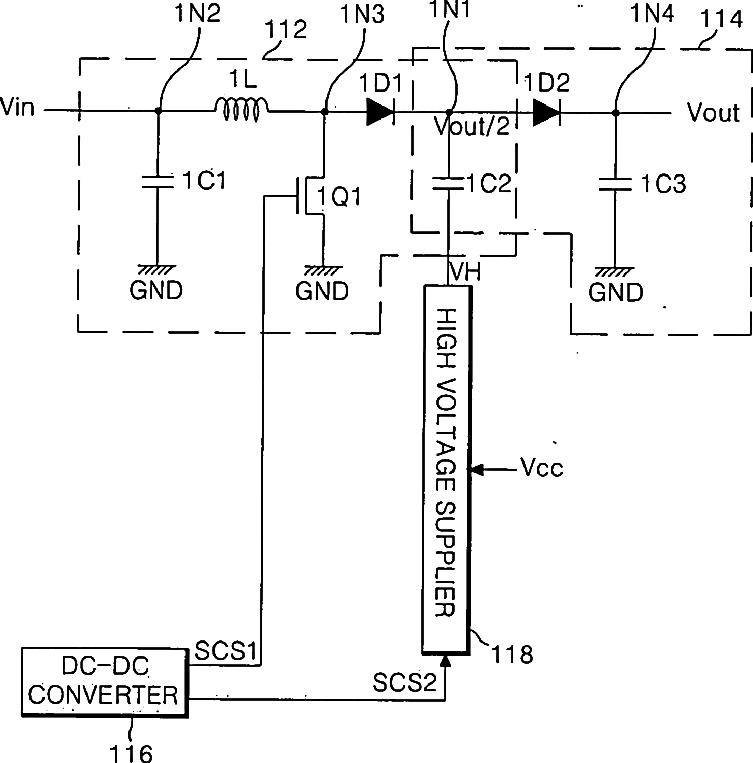
Power supply and driving method thereof and apparatus and method for driving electro-luminescence display device using the same
授权日
1900-01-01
公开(公告)号
US20050052170A1
申请日
2004-07-28
公开(公告)日
2005-03-10
当前申请(专利权)人
LG ELECTRONICS INC.
发明人
KIM, HYUN JEOUNG | KIM, HAK SU
简单同族
CN100546155C | CN1581656A | EP1505715A2 | EP1505715A3 | JP2005057999A | KR100602065B1 | KR1020050014377A | US20050052170A1 | US7528807
简单同族成员数量
9
简单同族被引用专利总数
105
诉讼案件数
0
法律状态/事件
授权 | 权利转移
抱歉,您的浏览器不支持PDF预览,请点击链接下载PDF文件