专利数据库
统计分析
产业报告
专利数据监控
产业人才
行业动态
产业政策法规
维权援助
个人中心
详情
文本
图像
标题
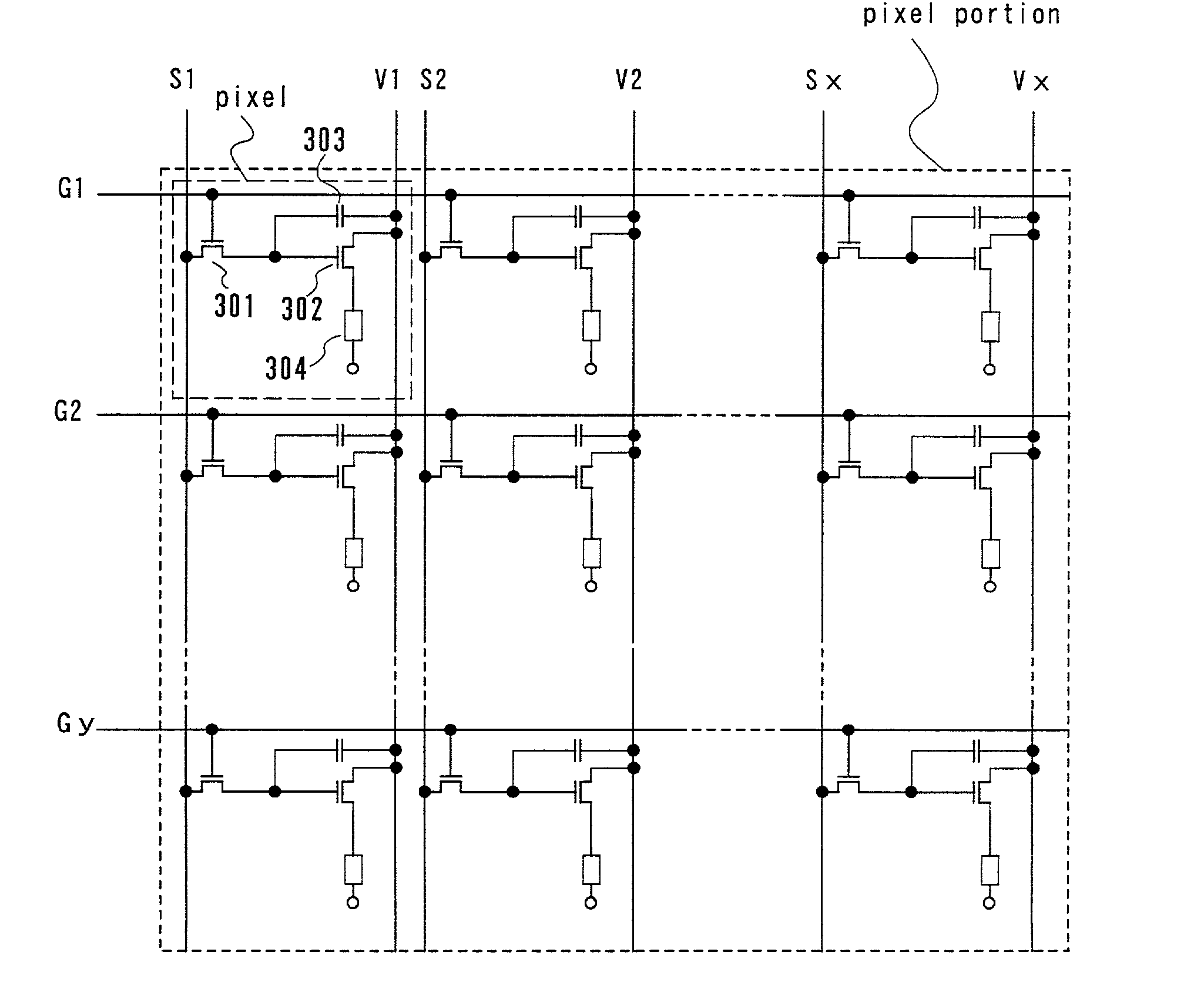
Method of driving display device
授权日
1900-01-01
公开(公告)号
US20020047568A1
申请日
2001-07-23
公开(公告)日
2002-04-25
当前申请(专利权)人
SEMICONDUCTOR ENERGY LABORATORY CO., LTD.
发明人
KOYAMA, JUN
简单同族
JP2012177928A | JP2015132835A | JP2016075954A | JP2017068283A | JP6419229B2 | US20020047568A1 | US20040012550A1 | US20070085783A1 | US20120092236A1 | US20130328499A1 | US20170053974A1 | US6879110 | US7158104 | US8035583 | US8508439 | US9489884
简单同族成员数量
16
简单同族被引用专利总数
225
诉讼案件数
0
法律状态/事件
授权 | 权利转移
抱歉,您的浏览器不支持PDF预览,请点击链接下载PDF文件