专利数据库
统计分析
产业报告
专利数据监控
产业人才
行业动态
产业政策法规
维权援助
个人中心
详情
文本
图像
标题
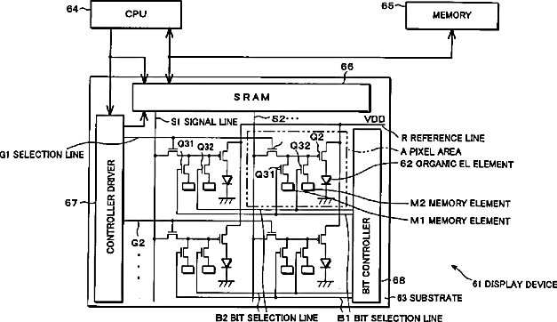
Display device with electro-optical element activated from plural memory elements
授权日
2005-02-08
公开(公告)号
US6853370
申请日
2002-01-04
公开(公告)日
2005-02-08
当前申请(专利权)人
SHARP KABUSHIKI KAISHA
发明人
NUMAO, TAKAJI
简单同族
CN1179313C | CN1365093A | JP2002278498A | JP3618687B2 | KR100417572B1 | KR1020020060604A | TW581923B | US20020089496A1 | US6853370
简单同族成员数量
9
简单同族被引用专利总数
141
诉讼案件数
0
法律状态/事件
授权 | 权利转移
抱歉,您的浏览器不支持PDF预览,请点击链接下载PDF文件