专利数据库
统计分析
产业报告
专利数据监控
产业人才
行业动态
产业政策法规
维权援助
个人中心
详情
文本
图像
标题
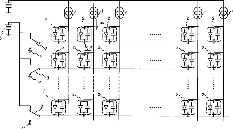
Electroluminescence display which realizes high speed operation and high contrast
授权日
2003-03-11
公开(公告)号
US6531827
申请日
2001-08-09
公开(公告)日
2003-03-11
当前申请(专利权)人
SAMSUNG DISPLAY CO., LTD.
发明人
KAWASHIMA, SHINGO
简单同族
JP2002055654A | JP3485175B2 | KR100437477B1 | KR1020020013404A | TW513687B | US20020067134A1 | US6531827
简单同族成员数量
7
简单同族被引用专利总数
179
诉讼案件数
0
法律状态/事件
授权 | 权利转移
抱歉,您的浏览器不支持PDF预览,请点击链接下载PDF文件