专利数据库
统计分析
产业报告
专利数据监控
产业人才
行业动态
产业政策法规
维权援助
个人中心
详情
文本
图像
标题
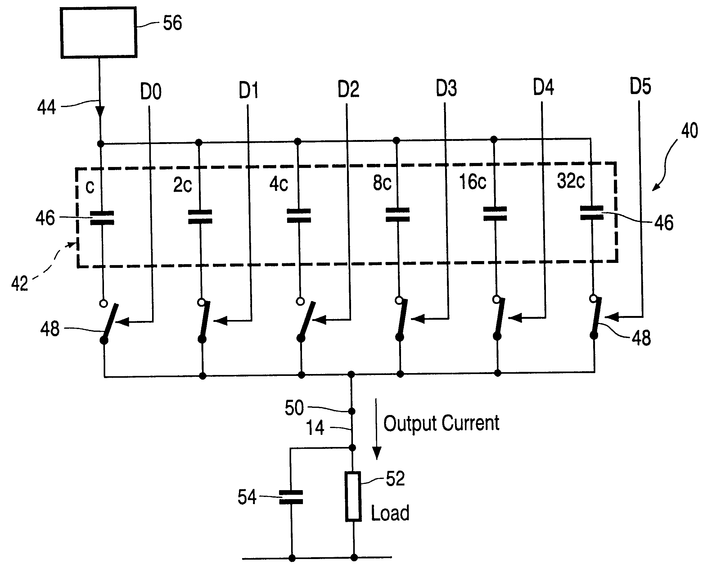
Current source and display device using the same
授权日
2002-12-24
公开(公告)号
US6498438
申请日
2000-09-28
公开(公告)日
2002-12-24
当前申请(专利权)人
BEIJING XIAOMI MOBILE SOFTWARE CO., LTD.
发明人
EDWARDS, MARTIN J.
简单同族
GB9923591D0 | US6498438 | WO2001026088A1
简单同族成员数量
3
简单同族被引用专利总数
102
诉讼案件数
0
法律状态/事件
授权 | 权利转移
抱歉,您的浏览器不支持PDF预览,请点击链接下载PDF文件