专利数据库
统计分析
产业报告
专利数据监控
产业人才
行业动态
产业政策法规
维权援助
个人中心
详情
文本
图像
标题
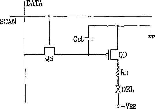
Organic electroluminescence display panel and display apparatus using thereof
授权日
2007-09-18
公开(公告)号
US7271785
申请日
2002-01-03
公开(公告)日
2007-09-18
当前申请(专利权)人
SAMSUNG DISPLAY CO., LTD.
发明人
JANG, HYEON-YONG
简单同族
CN1586094A | JP2005507505A | JP2005507505A5 | KR100767377B1 | KR1020030027304A | US20050052365A1 | US7271785 | WO2003037040A1
简单同族成员数量
8
简单同族被引用专利总数
84
诉讼案件数
0
法律状态/事件
未缴年费 | 权利转移
抱歉,您的浏览器不支持PDF预览,请点击链接下载PDF文件