专利数据库
统计分析
产业报告
专利数据监控
产业人才
行业动态
产业政策法规
维权援助
个人中心
详情
文本
图像
标题
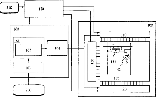
EL display device and electronic device
授权日
2013-05-07
公开(公告)号
US8436790
申请日
2010-08-27
公开(公告)日
2013-05-07
当前申请(专利权)人
SEMICONDUCTOR ENERGY LABORATORY CO., LTD.
发明人
KOYAMA, JUN
简单同族
CN1183605C | CN1290042A | CN1607873A | CN1607873B | EP1087444A2 | EP1087444A3 | EP1087444B1 | EP2276064A2 | EP2276064A3 | EP2276064B1 | JP2001092413A | JP2001092413A5 | KR100713022B1 | KR1020010030443A | TW531764B | US20100321281A1 | US7786958 | US8436790
简单同族成员数量
18
简单同族被引用专利总数
87
诉讼案件数
0
法律状态/事件
授权
抱歉,您的浏览器不支持PDF预览,请点击链接下载PDF文件