专利数据库
统计分析
产业报告
专利数据监控
产业人才
行业动态
产业政策法规
维权援助
个人中心
详情
文本
图像
标题
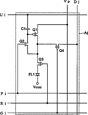
Display device and method for driving the same
授权日
2008-10-28
公开(公告)号
US7443367
申请日
2005-07-19
公开(公告)日
2008-10-28
当前申请(专利权)人
SHARP KABUSHIKI KAISHA
发明人
NUMAO, TAKAJI
简单同族
JP2006071919A | JP4160032B2 | US20060044244A1 | US7443367
简单同族成员数量
4
简单同族被引用专利总数
67
诉讼案件数
0
法律状态/事件
授权 | 权利转移
抱歉,您的浏览器不支持PDF预览,请点击链接下载PDF文件