专利数据库
统计分析
产业报告
专利数据监控
产业人才
行业动态
产业政策法规
维权援助
个人中心
详情
文本
图像
标题
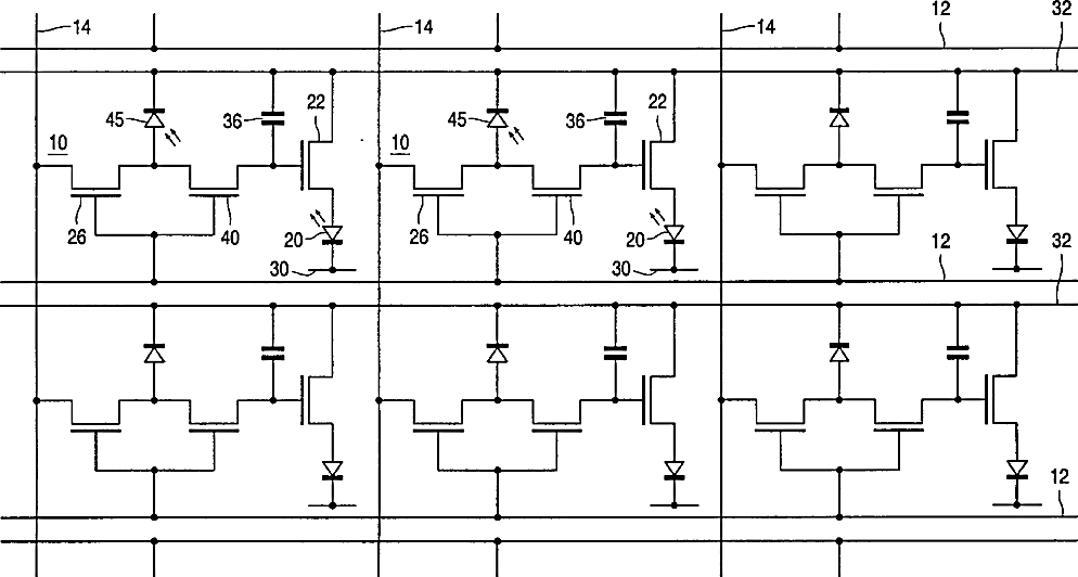
Active matrix electroluminescent display device
授权日
2002-08-27
公开(公告)号
US6441560
申请日
2000-08-18
公开(公告)日
2002-08-27
当前申请(专利权)人
BEIJING XIAOMI MOBILE SOFTWARE CO., LTD.
发明人
HUNTER, IAIN M.
简单同族
EP1135804A1 | EP1135804B1 | GB9919536D0 | JP2004510999A | JP4393740B2 | KR100712563B1 | KR1020010080207A | US6441560 | WO2001015232A1 | WO2001015232A9
简单同族成员数量
10
简单同族被引用专利总数
109
诉讼案件数
0
法律状态/事件
授权 | 权利转移
抱歉,您的浏览器不支持PDF预览,请点击链接下载PDF文件