专利数据库
统计分析
产业报告
专利数据监控
产业人才
行业动态
产业政策法规
维权援助
个人中心
详情
文本
图像
标题
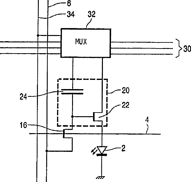
Electroluminescent display device
授权日
2005-05-03
公开(公告)号
US6888318
申请日
2002-12-12
公开(公告)日
2005-05-03
当前申请(专利权)人
INNOLUX CORPORATION
发明人
CHILDS, MARK J.
简单同族
AT406645T | AU2002351032A1 | CN100409297C | CN1605092A | DE60228623D1 | EP1461797A1 | EP1461797B1 | GB0130176D0 | JP2005513536A | JP4982702B2 | KR100932084B1 | KR1020040075005A | TW200307236A | TWI268464B | US20030111964A1 | US6888318 | WO2003052729A1
简单同族成员数量
17
简单同族被引用专利总数
52
诉讼案件数
0
法律状态/事件
授权 | 权利转移
抱歉,您的浏览器不支持PDF预览,请点击链接下载PDF文件