专利数据库
统计分析
产业报告
专利数据监控
产业人才
行业动态
产业政策法规
维权援助
个人中心
详情
文本
图像
标题
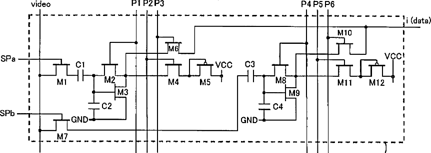
Display apparatus driving method using a current signal
授权日
2007-05-22
公开(公告)号
US7221341
申请日
2006-05-25
公开(公告)日
2007-05-22
当前申请(专利权)人
CANON KABUSHIKI KAISHA
发明人
KAWASAKI, SOMEI | ISEKI, MASAMI
简单同族
JP2004145296A | JP2004145296A5 | JP4416456B2 | US20040104909A1 | US20060208978A1 | US7126565 | US7221341
简单同族成员数量
7
简单同族被引用专利总数
51
诉讼案件数
0
法律状态/事件
未缴年费
抱歉,您的浏览器不支持PDF预览,请点击链接下载PDF文件