专利数据库
统计分析
产业报告
专利数据监控
产业人才
行业动态
产业政策法规
维权援助
个人中心
详情
文本
图像
标题
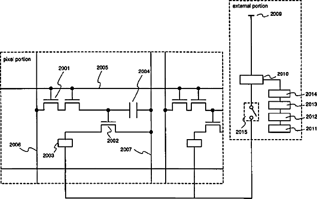
Display system and electrical appliance
授权日
2010-03-30
公开(公告)号
US7688290
申请日
2001-01-03
公开(公告)日
2010-03-30
当前申请(专利权)人
SEMICONDUCTOR ENERGY LABORATORY CO., LTD.
发明人
YAMAZAKI, SHUNPEI | KOYAMA, JUN | SHIBATA, NORIKO
简单同族
CN100474374C | CN1199272C | CN1306312A | CN1658265A | EP1117085A2 | EP1117085A3 | EP1117085B1 | JP2011237805A | JP2013047808A | JP2013047808A5 | JP2014132577A | JP2015111276A | JP2016040623A | JP2017010036A | JP2017033007A | JP2018060204A | JP2019066869A | JP2019070806A | JP2019070824A | JP5412469B2 | JP5604488B2 | JP5764683B2 | JP5976138B2 | JP6143380B2 | JP6431880B2 | JP6533562B2 | JP6534487B2 | JP6537692B2 | KR100754970B1 | KR1020010076294A | TWI252592B | TWM244584U | US10467961 | US10522076 | US20010020922A1 | US20100060620A1 | US20120306832A1 | US20140247256A1 | US20150325173A1 | US20160365029A1 | US20190156742A1 | US7688290 | US8253662 | US8743028 | US9087476 | US9368089
简单同族成员数量
46
简单同族被引用专利总数
266
诉讼案件数
0
法律状态/事件
授权 | 权利转移
抱歉,您的浏览器不支持PDF预览,请点击链接下载PDF文件