专利数据库
统计分析
产业报告
专利数据监控
产业人才
行业动态
产业政策法规
维权援助
个人中心
详情
文本
图像
标题
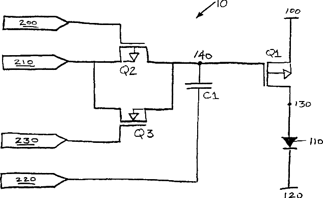
Gray scale pixel driver for electronic display and method of operation therefor
授权日
2004-10-26
公开(公告)号
US6809710
申请日
2001-01-22
公开(公告)日
2004-10-26
当前申请(专利权)人
EMAGIN CORPORATION
发明人
PRACHE, OLIVIER F. | MALAVIYA, SHASHI D.
简单同族
US20010045929A1 | US6809710 | WO2001054107A1
简单同族成员数量
3
简单同族被引用专利总数
311
诉讼案件数
0
法律状态/事件
未缴年费 | 质押 | 权利转移
抱歉,您的浏览器不支持PDF预览,请点击链接下载PDF文件