专利数据库
统计分析
产业报告
专利数据监控
产业人才
行业动态
产业政策法规
维权援助
个人中心
详情
文本
图像
标题
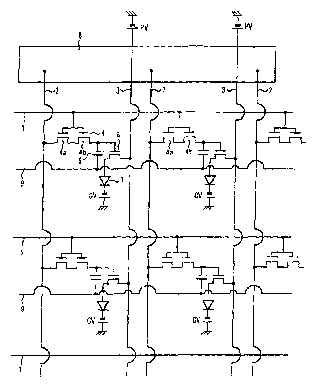
Self-emissive display device of active matrix type and organic EL display device of active matrix type
授权日
2003-01-21
公开(公告)号
US6509692
申请日
2001-07-31
公开(公告)日
2003-01-21
当前申请(专利权)人
SANYO ELECTRIC CO., LTD.
发明人
KOMIYA, NAOAKI
简单同族
CN1244085C | CN1341915A | DE60123344D1 | DE60123344T2 | EP1178463A2 | EP1178463A3 | EP1178463B1 | JP2002040963A | JP3670941B2 | KR100461482B1 | KR1020020010869A | TW514864B | US20020021096A1 | US6509692
简单同族成员数量
14
简单同族被引用专利总数
80
诉讼案件数
0
法律状态/事件
授权 | 权利转移
抱歉,您的浏览器不支持PDF预览,请点击链接下载PDF文件