专利数据库
统计分析
产业报告
专利数据监控
产业人才
行业动态
产业政策法规
维权援助
个人中心
详情
文本
图像
标题
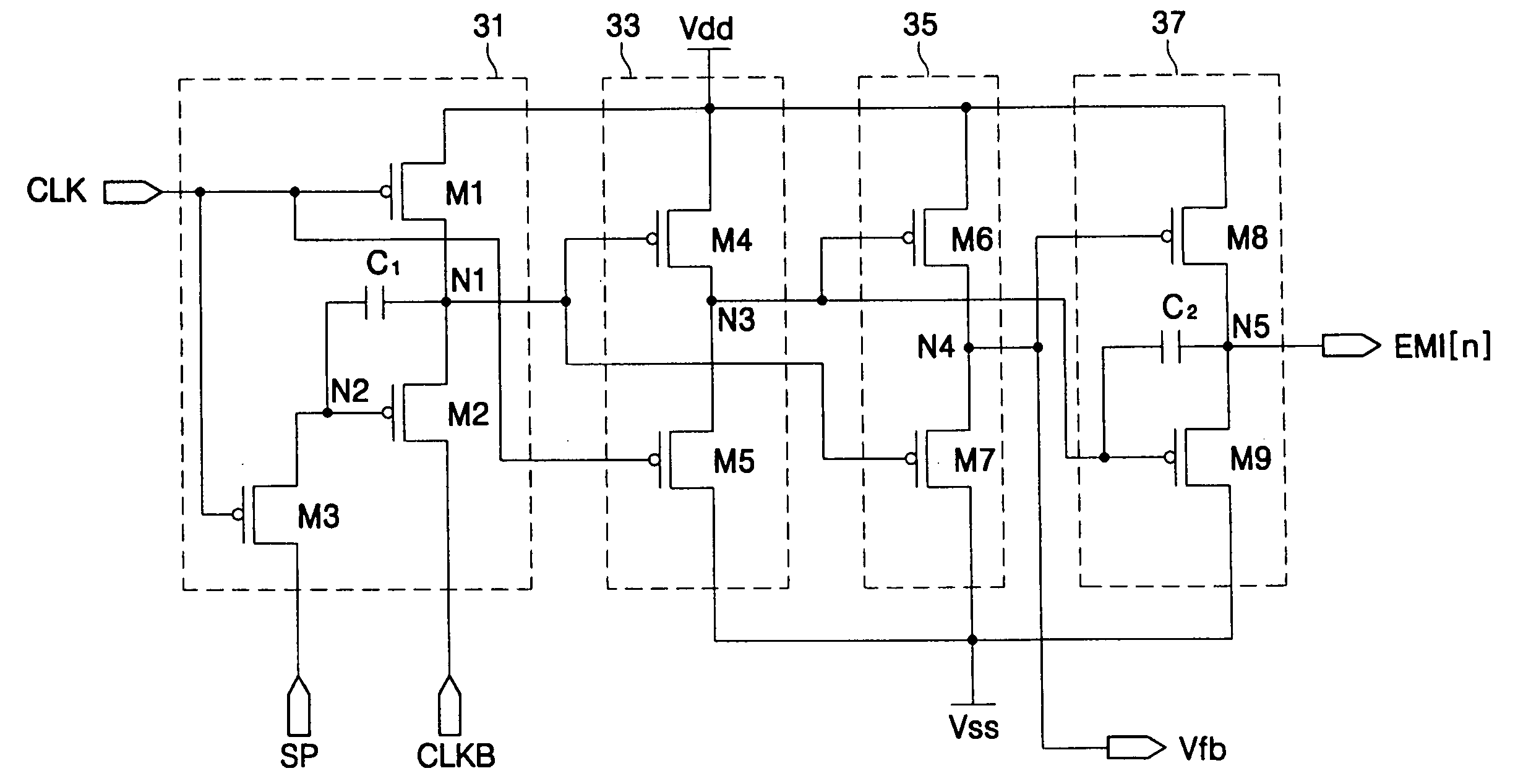
Emission driving device of organic light emitting display device
授权日
1900-01-01
公开(公告)号
US20070046608A1
申请日
2006-08-23
公开(公告)日
2007-03-01
当前申请(专利权)人
SAMSUNG DISPLAY CO., LTD.
发明人
CHUNG, BO-YONG
简单同族
KR100666637B1 | US20070046608A1 | US7920109
简单同族成员数量
3
简单同族被引用专利总数
51
诉讼案件数
0
法律状态/事件
授权 | 权利转移
抱歉,您的浏览器不支持PDF预览,请点击链接下载PDF文件