专利数据库
统计分析
产业报告
专利数据监控
产业人才
行业动态
产业政策法规
维权援助
个人中心
详情
文本
图像
标题
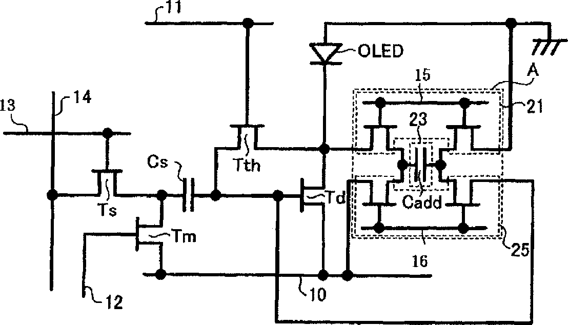
Image display apparatus and driving method thereof
授权日
2012-04-10
公开(公告)号
US8154483
申请日
2006-11-17
公开(公告)日
2012-04-10
当前申请(专利权)人
LG DISPLAY CO., LTD.
发明人
TAKASUGI, SHINJI | TOKUHIRO, OSAMU | KUSAFUKA, KAORU | KUBA, YUTAKA
简单同族
JP2012215896A | JP5455307B2 | JP5538477B2 | JPWO2007060898A1 | US20090284511A1 | US8154483 | WO2007060898A1
简单同族成员数量
7
简单同族被引用专利总数
57
诉讼案件数
0
法律状态/事件
授权 | 权利转移
抱歉,您的浏览器不支持PDF预览,请点击链接下载PDF文件