专利数据库
统计分析
产业报告
专利数据监控
产业人才
行业动态
产业政策法规
维权援助
个人中心
详情
文本
图像
标题
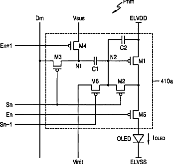
Pixel circuit and organic electro-luminescent display apparatus
授权日
2014-08-05
公开(公告)号
US8797314
申请日
2010-08-30
公开(公告)日
2014-08-05
当前申请(专利权)人
SAMSUNG DISPLAY CO., LTD.
发明人
CHUNG, BO-YONG | PARK, YONG-SUNG | CHOI, DEOK-YOUNG
简单同族
KR101058116B1 | KR1020110064688A | US20110134100A1 | US8797314
简单同族成员数量
4
简单同族被引用专利总数
50
诉讼案件数
0
法律状态/事件
授权 | 权利转移
抱歉,您的浏览器不支持PDF预览,请点击链接下载PDF文件