专利数据库
统计分析
产业报告
专利数据监控
产业人才
行业动态
产业政策法规
维权援助
个人中心
详情
文本
图像
标题
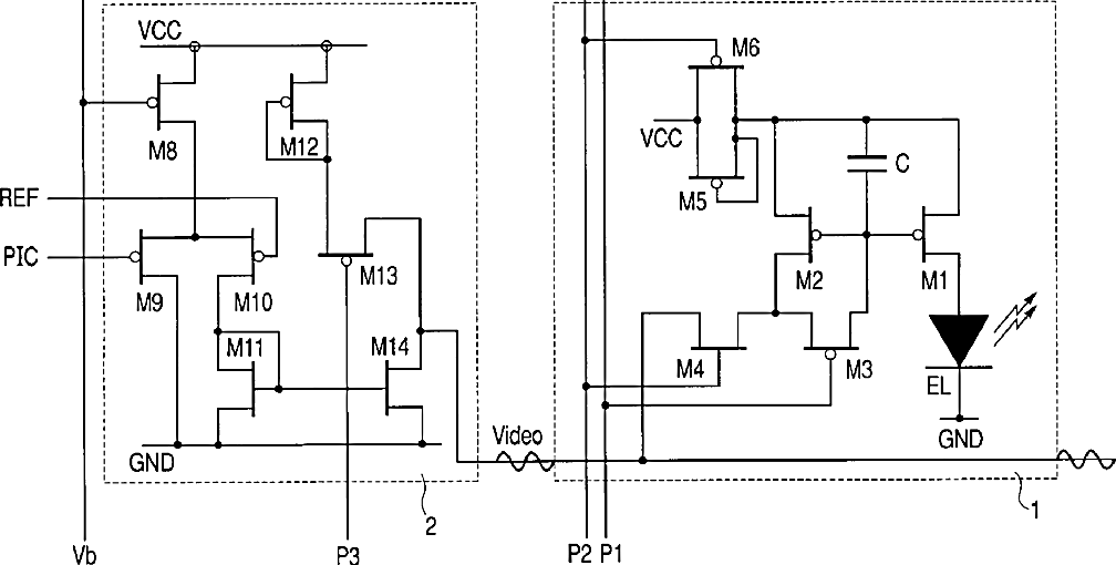
EL element drive circuit and display panel
授权日
2004-05-18
公开(公告)号
US6737813
申请日
2003-04-25
公开(公告)日
2004-05-18
当前申请(专利权)人
CANON KABUSHIKI KAISHA
发明人
KAWASAKI, SOMEI | OOMURA, MASANOBU
简单同族
JP2003323156A | JP3997109B2 | US20030209990A1 | US6737813
简单同族成员数量
4
简单同族被引用专利总数
69
诉讼案件数
0
法律状态/事件
未缴年费 | 权利转移
抱歉,您的浏览器不支持PDF预览,请点击链接下载PDF文件