专利数据库
统计分析
产业报告
专利数据监控
产业人才
行业动态
产业政策法规
维权援助
个人中心
详情
文本
图像
标题
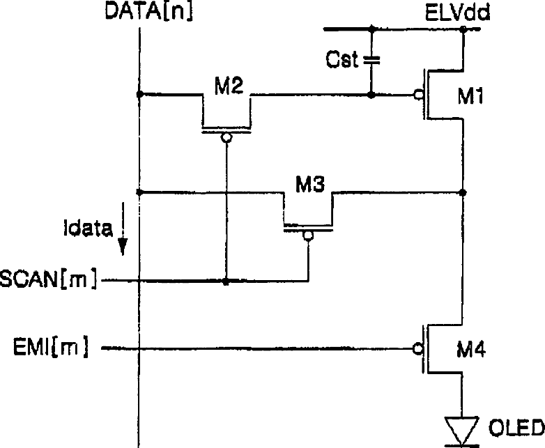
Organic electroluminescence display and method of operating the same
授权日
1900-01-01
公开(公告)号
US20060114196A1
申请日
2005-11-30
公开(公告)日
2006-06-01
当前申请(专利权)人
SAMSUNG DISPLAY CO., LTD.
发明人
SHIN, DONG-YONG | MATSUEDA, YOIIRO
简单同族
CN100525556C | CN1822728A | JP2006154822A | JP4472622B2 | KR100611660B1 | KR1020060061127A | US20060114196A1 | US7868865
简单同族成员数量
8
简单同族被引用专利总数
58
诉讼案件数
0
法律状态/事件
授权 | 权利转移
抱歉,您的浏览器不支持PDF预览,请点击链接下载PDF文件