专利数据库
统计分析
产业报告
专利数据监控
产业人才
行业动态
产业政策法规
维权援助
个人中心
详情
文本
图像
标题
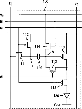
Electric current driving type display device
授权日
2012-12-04
公开(公告)号
US8325118
申请日
2006-12-18
公开(公告)日
2012-12-04
当前申请(专利权)人
SHARP KABUSHIKI KAISHA
发明人
SENDA, TAKAHIRO
简单同族
CN101405785A | CN101405785B | EP2026318A1 | EP2026318A4 | EP2026318B1 | JP5014338B2 | JPWO2007138729A1 | US20090040150A1 | US8325118 | WO2007138729A1
简单同族成员数量
10
简单同族被引用专利总数
48
诉讼案件数
0
法律状态/事件
授权 | 权利转移
抱歉,您的浏览器不支持PDF预览,请点击链接下载PDF文件