专利数据库
统计分析
产业报告
专利数据监控
产业人才
行业动态
产业政策法规
维权援助
个人中心
详情
文本
图像
标题
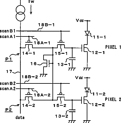
Active matrix type display device, active matrix type organic electroluminescent display device, and methods of driving such display devices
授权日
2009-11-03
公开(公告)号
US7612745
申请日
2005-12-30
公开(公告)日
2009-11-03
当前申请(专利权)人
SONY CORPORATION
发明人
YUMOTO, AKIRA | ASANO, MITSURU
简单同族
CN100409289C | CN1455914A | DE60207192D1 | DE60207192T2 | EP1353316A1 | EP1353316A4 | EP1353316B1 | JP2002215093A | JP3593982B2 | KR100842721B1 | KR1020020080002A | TW531718B | US20030107560A1 | US20060170624A1 | US7019717 | US7612745 | WO2002056287A1
简单同族成员数量
17
简单同族被引用专利总数
363
诉讼案件数
0
法律状态/事件
授权
抱歉,您的浏览器不支持PDF预览,请点击链接下载PDF文件