专利数据库
统计分析
产业报告
专利数据监控
产业人才
行业动态
产业政策法规
维权援助
个人中心
详情
文本
图像
标题
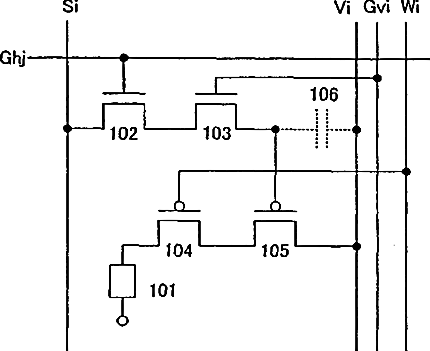
Electroluminescent display having 4 TFTs for rotation between vertical and horizontal image states.
授权日
2007-05-15
公开(公告)号
US7218294
申请日
2004-05-13
公开(公告)日
2007-05-15
当前申请(专利权)人
SEMICONDUCTOR ENERGY LABORATORY CO., LTD.
发明人
KOYAMA, JUN | OSAME, MITSUAKI | YAMAZAKI, YU | ANZAI, AYA
简单同族
JP2005037413A | JP2005037413A5 | JP4754772B2 | US20040263741A1 | US20070177088A1 | US7218294 | US8957836
简单同族成员数量
7
简单同族被引用专利总数
82
诉讼案件数
0
法律状态/事件
授权 | 权利转移
抱歉,您的浏览器不支持PDF预览,请点击链接下载PDF文件